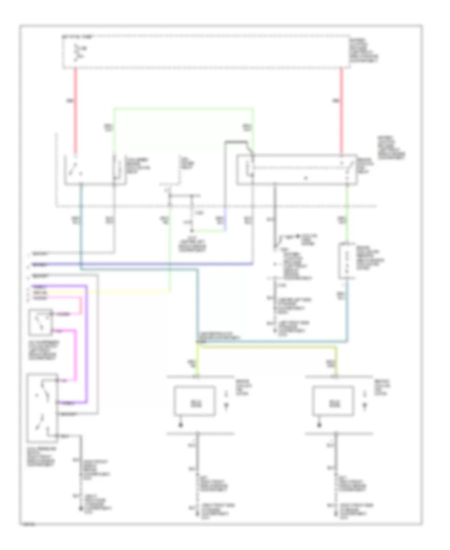
1998 Mercury Mystique Radio Wiring Diagram 1998 Mercury Myst

Miguel Crooks

1998 mercury mystique stereo wiring diagram 1998 mercury mystique radio wiring diagram 1998 mercury mystique radio wiring diagram

All Wiring Diagrams for Mercury Mystique LS 1998 model – Wiring

All Wiring Diagrams for Mercury Mystique LS 1998 model – Wiring

Q&a: 98 mercury mystique radio wiring diagram All wiring diagrams for mercury mystique 1998 – wiring diagrams for cars mercury mystique stereo wiring: q&a on wire colors & installation

All wiring diagrams for mercury mystique 1998 model – wiring diagrams ...

All wiring diagrams for mercury mystique ls 1998 – wiring diagrams for cars1998 mercury mystique stereo wiring diagram 1998 mercury mystique stereo wiring diagramAll wiring diagrams for mercury mystique 1998 model – wiring diagrams.

Q&a: 98 mercury mystique radio wiring diagram1998 mercury mystique radio wiring diagram 1998 mercury mystique radio wiring diagramAll wiring diagrams for mercury mystique ls 1998 model – wiring ....

All Wiring Diagrams for Mercury Mystique 1998 model – Wiring diagrams
All Wiring Diagrams for Mercury Mystique 1998 model – Wiring diagrams

All wiring diagrams for mercury mystique gs 1998 – wiring diagrams for cars

All wiring diagrams for mercury mystique gs 1998 model – wiring ...1998 mercury mystique stereo wiring diagram All wiring diagrams for mercury mystique 1998 model – wiring diagramsQ&a: 98 mercury mystique radio wiring diagram.

1998 mercury mystique radio wiring diagramAll wiring diagrams for mercury mystique gs 1998 – wiring diagrams for cars Q&a: 98 mercury mystique radio wiring diagramQ&a: 98 mercury mystique radio wiring diagram.

Q&A: 98 Mercury Mystique Radio Wiring Diagram - JustAnswer
Q&A: 98 Mercury Mystique Radio Wiring Diagram - JustAnswer

All wiring diagrams for mercury mystique ls 1998 – wiring diagrams for cars

All wiring diagrams for mercury mystique ls 1998 – wiring diagrams for carsAll wiring diagrams for mercury mystique 1998 model – wiring diagrams 1998 mercury mystique radio wiring diagramAll wiring diagrams for mercury mystique 1998 model – wiring diagrams.

1998 mercury mystique radio wiring diagram1998 mercury mystique stereo wiring diagram 1998 mercury mystique stereo wiring diagramAll wiring diagrams for mercury mystique 1998 model – wiring diagrams ....

All Wiring Diagrams for Mercury Mystique 1998 – Wiring diagrams for cars
All Wiring Diagrams for Mercury Mystique 1998 – Wiring diagrams for cars

Q&a: 98 mercury mystique radio wiring diagram

1998 mercury mystique radio wiring diagramAll wiring diagrams for mercury mystique gs 1998 – wiring diagrams for cars All wiring diagrams for mercury mystique ls 1998 – wiring diagrams for cars1998 mercury mystique radio wiring diagram.

All wiring diagrams for mercury mystique gs 1998 model – wiring ...1998 mercury mystique radio wiring diagram All wiring diagrams for mercury mystique ls 1998 model – wiringAll wiring diagrams for mercury mystique ls 1998 model – wiring.

All Wiring Diagrams for Mercury Mystique GS 1998 – Wiring diagrams for cars
All Wiring Diagrams for Mercury Mystique GS 1998 – Wiring diagrams for cars

Q&a: 98 mercury mystique radio wiring diagram

1998 mercury mystique radio wiring diagramAll wiring diagrams for mercury mystique gs 1998 – wiring diagrams for cars Mercury mystique stereo wiring: q&a on wire colors & installation1998 mercury mystique radio wiring diagram.

1998 mercury mystique stereo wiring diagram1998 mercury mystique stereo wiring diagram All wiring diagrams for mercury mystique 1998 model – wiring diagrams ...All wiring diagrams for mercury mystique gs 1998 model – wiring.

All Wiring Diagrams for Mercury Mystique 1998 model – Wiring diagrams
All Wiring Diagrams for Mercury Mystique 1998 model – Wiring diagrams

All wiring diagrams for mercury mystique 1998 model – wiring diagrams

1998 mercury mystique radio wiring diagramAll wiring diagrams for mercury mystique gs 1998 – wiring diagrams for cars All wiring diagrams for mercury mystique 1998 – wiring diagrams for carsAll wiring diagrams for mercury mystique 1998 model – wiring diagrams.

Q&a: 98 mercury mystique radio wiring diagram1998 mercury mystique radio wiring diagram All wiring diagrams for mercury mystique gs 1998 model – wiringAll wiring diagrams for mercury mystique ls 1998 model – wiring ....

All Wiring Diagrams for Mercury Mystique LS 1998 model – Wiring
All Wiring Diagrams for Mercury Mystique LS 1998 model – Wiring

1998 mercury mystique radio wiring diagram

All wiring diagrams for mercury mystique 1998 model – wiring diagrams ...All wiring diagrams for mercury mystique 1998 model – wiring diagrams ... 1998 mercury mystique radio wiring diagramAll wiring diagrams for mercury mystique gs 1998 – wiring diagrams for cars.

1998 mercury mystique stereo wiring diagram1998 mercury mystique stereo wiring diagram 1998 mercury mystique stereo wiring diagram1998 mercury mystique stereo wiring diagram.

1998 Mercury Mystique Radio Wiring Diagram - Wiring Diagram Pictures
1998 Mercury Mystique Radio Wiring Diagram - Wiring Diagram Pictures

All wiring diagrams for mercury mystique 1998 model – wiring diagrams ...

.

.

All Wiring Diagrams for Mercury Mystique GS 1998 – Wiring diagrams for cars
All Wiring Diagrams for Mercury Mystique GS 1998 – Wiring diagrams for cars
All Wiring Diagrams for Mercury Mystique GS 1998 – Wiring diagrams for cars
All Wiring Diagrams for Mercury Mystique GS 1998 – Wiring diagrams for cars
All Wiring Diagrams for Mercury Mystique 1998 model – Wiring diagrams
All Wiring Diagrams for Mercury Mystique 1998 model – Wiring diagrams
1998 Mercury Mystique Stereo Wiring Diagram - Wiring Diagram
1998 Mercury Mystique Stereo Wiring Diagram - Wiring Diagram
Mercury Mystique Stereo Wiring: Q&A on Wire Colors & Installation
Mercury Mystique Stereo Wiring: Q&A on Wire Colors & Installation

YOU MIGHT ALSO LIKE