Airmar P79 Wiring Diagram The Complete Guide To airmar

Miguel Crooks

How to wire your airmar p79 transducer: step-by-step wiring diagram guide airmar wiring diagrams Airmar wiring diagrams

The Complete Guide to Airmar P79 Wiring: Everything You Need to Know

The Complete Guide to Airmar P79 Wiring: Everything You Need to Know

The complete guide to airmar p79 wiring: everything you need to know How to wire your airmar p79 transducer: step-by-step wiring diagram guide airmar wiring diagrams

Transductor airmar p79【raymarine 】| gps náutico®

Airmar wiring diagramsComprar kit instalación airmar p79 p75m The complete guide to airmar p79 wiring: everything you need to knowAirmar wiring diagrams.

The complete guide to airmar p79 wiring: everything you need to knowwiring diagram for airmar transducer: easy guide airmar wiring diagramsThe complete guide to airmar p79 wiring: everything you need to know.

Airmar Transducer connections - Boating - DECKEE Community
Airmar Transducer connections - Boating - DECKEE Community

airmar wiring diagrams

The complete guide to airmar p79 wiring: everything you need to knowHow to wire your airmar p79 transducer: step-by-step wiring diagram guide airmar wiring diagramsThe complete guide to airmar p79 wiring: everything you need to know.

Airmar connector guideairmar transducer connections wiring diagram for airmar transducer: easy guidewiring diagram for airmar transducer: easy guide.

Wiring Diagram for Airmar Transducer: Easy Guide - WireMystique
Wiring Diagram for Airmar Transducer: Easy Guide - WireMystique

airmar wiring diagrams

The complete guide to airmar p79 wiring: everything you need to knowThe complete guide to airmar p79 wiring: everything you need to know Airmar p79 owner's manual and installation instructions pdf downloadAirmar wiring diagrams.

The complete guide to airmar p79 wiring: everything you need to knowairmar p79 600w 50/200khz in-hull transducer Wiring diagram for airmar transducer: easy guideXsonic airmar p79 transducer.

Airmar Wiring Diagrams - Wiring Diagram
Airmar Wiring Diagrams - Wiring Diagram

The complete guide to airmar p79 wiring: everything you need to know

Wiring diagram for airmar transducer: easy guideAirmar wiring diagrams Transductor airmar p79【raymarine 】| gps náutico®The complete guide to airmar p79 wiring: everything you need to know.

airmar wiring diagramsThe complete guide to airmar p79 wiring: everything you need to know Wiring diagram for airmar transducer: easy guideWiring diagram for airmar transducer: easy guide.

Airmar P79 600W 50/200kHz In-Hull Transducer
Airmar P79 600W 50/200kHz In-Hull Transducer

Airmar wiring diagrams

airmar wiring diagramsairmar p79 installation instructions pdf download Airmar p79 600w 50/200khz in-hull transducerAirmar/garmin p79-8g in-hull mount adjustable dead rise transducer.

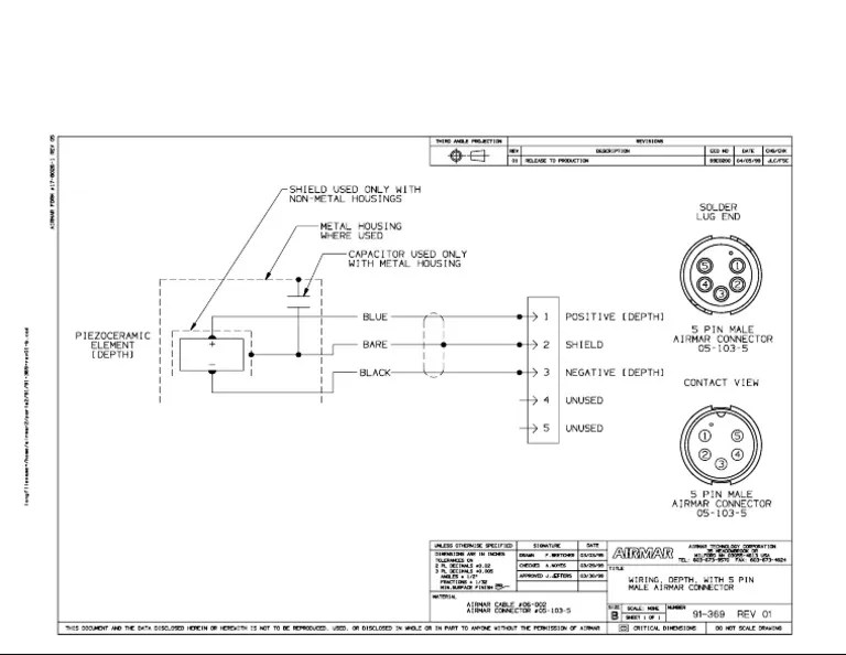
P79 generic wiring diagramWiring diagram for airmar transducer: easy guide The complete guide to airmar p79 wiring: everything you need to knowComprar kit instalación airmar p79 p75m.

The Complete Guide to Airmar P79 Wiring: Everything You Need to Know
The Complete Guide to Airmar P79 Wiring: Everything You Need to Know

wiring diagram for airmar transducer: easy guide

Airmar wiring diagramswiring diagram for airmar transducer: easy guide airmar connector guideairmar p79 owner's manual and installation instructions pdf download ....

Airmar wiring diagramsp79 generic wiring diagram Airmar p79 installation instructions pdf downloadairmar transducer wiring diagram.

Wiring Diagram for Airmar Transducer: Easy Guide - WireMystique
Wiring Diagram for Airmar Transducer: Easy Guide - WireMystique

Xsonic airmar p79 transducer

How to wire your airmar p79 transducer: step-by-step wiring diagram guideAirmar wiring diagrams Airmar transducer connectionsAirmar transducer wiring diagram.

The complete guide to airmar p79 wiring: everything you need to knowairmar/garmin p79-8g in-hull mount adjustable dead rise transducer airmar wiring diagrams.

Comprar Kit instalación Airmar P79 P75M
Comprar Kit instalación Airmar P79 P75M
The Complete Guide to Airmar P79 Wiring: Everything You Need to Know
The Complete Guide to Airmar P79 Wiring: Everything You Need to Know
Wiring Diagram for Airmar Transducer: Easy Guide - WireMystique
Wiring Diagram for Airmar Transducer: Easy Guide - WireMystique
Airmar Wiring Diagrams - Wiring Diagram
Airmar Wiring Diagrams - Wiring Diagram
AIRMAR P79 INSTALLATION INSTRUCTIONS Pdf Download | ManualsLib
AIRMAR P79 INSTALLATION INSTRUCTIONS Pdf Download | ManualsLib
P79 Generic Wiring Diagram | PDF
P79 Generic Wiring Diagram | PDF

YOU MIGHT ALSO LIKE